Zum Hauptinhalt springen
INFO@CMT.GMBH
+49-2332-5510500
KEIN MINDESTBESTELLWERT
WELTWEITER VERSAND

FS22-M-0330-SB-NX

Produktinformationen "FS22-M-0330-SB-NX"

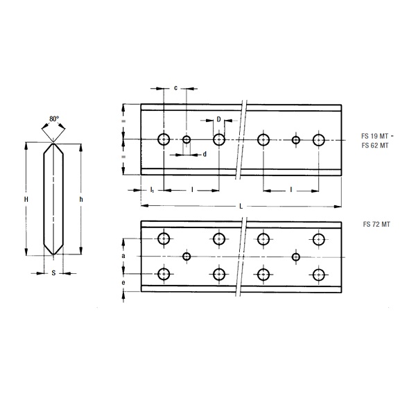
Rostbeständige Führungsschiene FS.., kaltgezogen, mit induktiv gehärteten und geschliffenen Laufflächen (M) in 80° Winkel, Befestigungsbohrungen: standard - einreihig - mittig platziert (SB), Nadella
Bauform: V-LINE
Größe: 22
Bohrungsdurchmesser: 6,5
Breite: 5,8
Höhe: 27
Länge: 330
Material: Standard
Die vorliegenden Kataloge bzw. Katalogauszüge werden von uns regelmäßig aktualisiert, es kann jedoch nicht garantiert werden, dass auf unserer Homepage die aktuellste Version verfügbar ist. Die aktuellsten Kataloge finden Sie auf den Homepages der Hersteller. Oft können Sie dort die gesuchten Artikel mit allen technischen Details einzeln aufrufen, was auch unsere Empfehlung ist.